Каталог
Заказать звонок
Меню
техника и оборудование +7 (4162) 578-000
запасные части +7 (4162) 578-500
стропная и канатная продукция, электроды, шины +7 (4162) 500-650
сервис +7 (914) 060-30-25
Email:
Каталог
Сайт работает в тестовом режиме
Страницы находятся в стадии наполнения.
Приносим свои извинения за возможные неточности
техника и оборудование +7 (4162) 578-000
запасные части +7 (4162) 578-500
стропная и канатная продукция, электроды, шины +7 (4162) 500-650
сервис +7 (914) 060-30-25

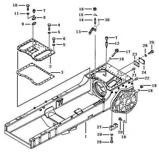
Картер рулевого механизма и рама

10
Болт M10×25
11
Шайба 10
9
Прокладка уплотнительная
7
Отверстие вентиляционное
8
Фланец
4
Болт M14×45
5
Шайба 14
5
Шайба 14
6
Болт M14×35
16
Гайка M22×1.5
15
Пластина замковая
14
Болт AM22-M22×1.5×100-10.9
30
Палец A10×35
13
Крышка подшипника
7
Отверстие вентиляционное
12
Ниппель
17
Блок уровнемера
25
Болт M16×35-Zn
26
Шайба 16-Zn
23
Прокладка уплотнительная
18
Кольцо круглого сечения уплотнительное
2
Крышка
3
Кольцо уплотнительное
21
Пробка
24
Крышка
22
Пробка
19
Пробка резьбовая
18
Кольцо круглого сечения уплотнительное
27
Крышка полуоси
29
Шайба 22
28
Болт M22×90-10.9
20
Пробка резьбовая
18
Кольцо круглого сечения уплотнительное
Номер
Наименование
1
T24M.21A.1
НаименованиеРама
2
T24M.21A-1
НаименованиеКрышка
3
T24.21-2
НаименованиеКольцо уплотнительное
4
GB5783
НаименованиеБолт M14×45
5
GB93
НаименованиеШайба 14
6
GB5783
НаименованиеБолт M14×35
НаименованиеОтверстие
7
07030-00252
Наименованиевентиляционное
8
T24.21.2
НаименованиеФланец
НаименованиеПрокладка
9
T24.21-3
Наименованиеуплотнительная
10
GB5783
НаименованиеБолт M10×25
11
GB93
НаименованиеШайба 10
12
T24.21-4
НаименованиеНиппель
13
T24.21-14[2]
НаименованиеКрышка подшипника
14
GB898
НаименованиеБолт AM22-M22×1.5×100-10.9
15
T24.21-27
НаименованиеПластина замковая
16
GB6171
НаименованиеГайка M22×1.5
17
T24.21.3
НаименованиеБлок уровнемера
18
07002-03634
НаименованиеКольцо круглого сечения уплотнительное
19
07040-13618
НаименованиеПробка резьбовая
20
07044-13620
НаименованиеПробка резьбовая
21
07049-02430
НаименованиеПробка
22
07049-03342
НаименованиеПробка
23
T24.21-7
НаименованиеПрокладка уплотнительная
24
T24.21-6
НаименованиеКрышка
25
GB5783
НаименованиеБолт M16×35-Zn
26
GB93
НаименованиеШайба 16-Zn
27
T24.21-5
НаименованиеКрышка полуоси
28
GB5782
НаименованиеБолт M22×90-10.9
29
GB93
НаименованиеШайба 22
30
GB118
НаименованиеПалец A10×35
Обратная связь