Каталог
Заказать звонок
Меню
техника и оборудование +7 (4162) 578-000
запасные части +7 (4162) 578-500
стропная и канатная продукция, электроды, шины +7 (4162) 500-650
сервис +7 (914) 060-30-25
Email:
Каталог
Сайт работает в тестовом режиме
Страницы находятся в стадии наполнения.
Приносим свои извинения за возможные неточности
техника и оборудование +7 (4162) 578-000
запасные части +7 (4162) 578-500
стропная и канатная продукция, электроды, шины +7 (4162) 500-650
сервис +7 (914) 060-30-25

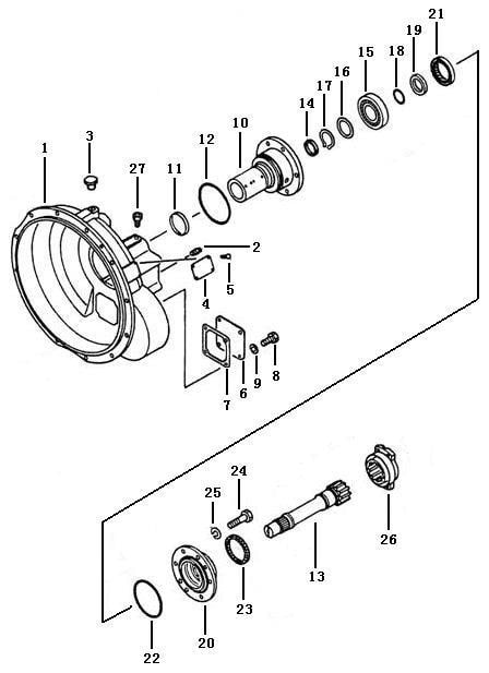
Кожух гидротрансформатора

1
Кожух
3
Пробка 14
11
Кольцо уплотнительное
12
Кольцо круглого сечения уплотнительное 139.6×5.7-6
10
Вал статора
14
Кольцо уплотнительное
17
Кольцо стопорное 55
16
Втулка
15
Подшипник 4G311
18
уплотнительное 48.7×3.55
19
Гнездо
21
Сальник B-1-75
2
Пробка резьбовая AZG1/8″
5
Заклепка 2.5×5
4
Шильдик
7
Прокладка
6
Крышка
9
Шайба 12
8
Болт M12×25
24
Болт M12×45-Zn
25
Шайба 12
22
Кольцо круглого сечения уплотнительное 136.6×3.1-6
20
Крышка
23
Кольцо уплотнительное
13
Вал турбины
26
Муфта соединительная
Номер
Наименование
 
T24.13.1
НаименованиеГидротрансформатор
1
T24.13.1-17
НаименованиеКожух
2
JB/ZQ3874
НаименованиеПробка резьбовая AZG1/8″
3
JB/ZQ3876
НаименованиеПробка 14
4
T24.13.1-1
НаименованиеШильдик
5
GB827
НаименованиеЗаклепка 2.5×5
6
T24.13.1-19
НаименованиеКрышка
7
T24.13.1-20
НаименованиеПрокладка
8
GB5783
НаименованиеБолт M12×25
9
GB93
НаименованиеШайба 12
10
T24.13.1-9
НаименованиеВал статора
11
T24.13.1-8
НаименованиеКольцо уплотнительное
12
JB/ZQ3709
НаименованиеКольцо круглого сечения уплотнительное 139.6×5.7-6
13
T24.13.1-12
НаименованиеВал турбины
14
T24.13.1-15
НаименованиеКольцо уплотнительное
15
GB278
НаименованиеПодшипник 4G311
16
T24.13.1-14
НаименованиеВтулка
17
GB894.1
НаименованиеКольцо стопорное 55
 
 
НаименованиеКольцо круглого сечения
18
GB3452.1
Наименованиеуплотнительное 48.7×3.55
19
T24.13.1-13
НаименованиеГнездо
20
T24.13.1-10
НаименованиеКрышка
21
JB/ZQ3788
НаименованиеСальник B-1-75
22
JB/ZQ3709
НаименованиеКольцо круглого сечения уплотнительное 136.6×3.1-6
23
T24.13.1-11
НаименованиеКольцо уплотнительное
24
GB5782
НаименованиеБолт M12×45-Zn
25
GB93
НаименованиеШайба 12
26
T24.13.1.3
НаименованиеМуфта соединительная
Обратная связь