Каталог
Заказать звонок
Меню
техника и оборудование +7 (4162) 578-000
запасные части +7 (4162) 578-500
стропная и канатная продукция, электроды, шины +7 (4162) 500-650
сервис +7 (914) 060-30-25
Email:
Каталог
Сайт работает в тестовом режиме
Страницы находятся в стадии наполнения.
Приносим свои извинения за возможные неточности
техника и оборудование +7 (4162) 578-000
запасные части +7 (4162) 578-500
стропная и канатная продукция, электроды, шины +7 (4162) 500-650
сервис +7 (914) 060-30-25

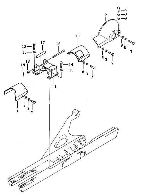
Крышка рамы гусеницы

2
Болт M12×30-Zn
3
Шайба 12-Zn
6
Шайба 12-100HV-Zn
5
Кожух звездочки левый
10
Крышка средняя левая
16
Болт
17
Втулка
12
Болт M22×50
13
Шайба 22
18
Гайка
19
Палец 5×60
14
Болт M20×50-Zn
15
Шайба
11
Суппорт левый
1
Крышка передняя левая
4
Шайба
3
Шайба 12-Zn
2
Болт M12×30-Zn
6
Шайба 12-100HV-Zn
3
Шайба 12-Zn
2
Болт M12×30-Zn
2
Болт M12×30-Zn
3
Шайба 12-Zn
6
Шайба 12-100HV-Zn
9
Шайба
8
Шайба 14-Zn
7
Болт M14×100-Zn
Номер
Наименование
1
T24.30-1
НаименованиеКрышка передняя левая
T24.30-2
НаименованиеКрышка передняя правая
2
GB5783
НаименованиеБолт M12×30-Zn
3
GB93
НаименованиеШайба 12-Zn
4
01643-21432
НаименованиеШайба
5
T24.30.6
НаименованиеКожух звездочки левый
T24.30.7
НаименованиеКожух звездочки правый
6
GB96
НаименованиеШайба 12-100HV-Zn
7
GB5783
НаименованиеБолт M14×100-Zn
8
GB93
НаименованиеШайба 14-Zn
9
01643-31445
НаименованиеШайба
10
T24.30.4
НаименованиеКрышка средняя левая
T24.30.5
НаименованиеКрышка средняя правая
11
T24.30.11
НаименованиеСуппорт левый
T24.30.12
НаименованиеСуппорт правый
12
GB5783
НаименованиеБолт M22×50
13
GB93
НаименованиеШайба 22
14
GB5783
НаименованиеБолт M20×50-Zn
15
01643-32060
НаименованиеШайба
16
T24.30-4
НаименованиеБолт
17
T24.30-5
НаименованиеВтулка
18
01590-13033
НаименованиеГайка
19
GB91
НаименованиеПалец 5×60
Обратная связь