Каталог
Заказать звонок
Меню
техника и оборудование +7 (4162) 578-000
запасные части +7 (4162) 578-500
стропная и канатная продукция, электроды, шины +7 (4162) 500-650
сервис +7 (914) 060-30-25
Email:
Каталог
МАСЛО С ИНЖЕНЕРНОЙ ПОДДЕРЖКОЙ
ПЕРЕХОДИ НА STOIL
Начать переход
Инженер STOIL поможет принять решение,
оптимальное для вашего парка
техника и оборудование +7 (4162) 578-000
запасные части +7 (4162) 578-500
стропная и канатная продукция, электроды, шины +7 (4162) 500-650
сервис +7 (914) 060-30-25

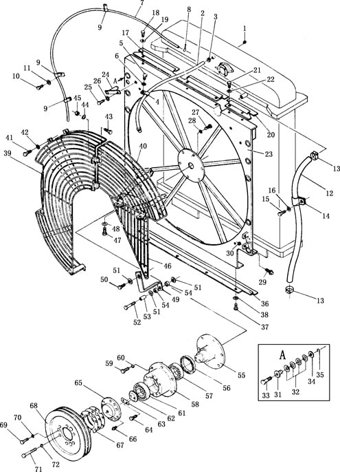
Радиатор и ветрозащита

0 plug
2
hose
3
clamp
4
clip
5
bolt
6
washer
7
tube
8
wire
9
clip
9
clip
9
clip
10
bolt
11
washer
12
hose
13
clamp
14
clip
15
bolt
16
washer
17
wind-break,L.H
18
bolt
19
washer
20
wind-break,R.H
21
bolt
22
washer
23
guard
24
pin
25
bolt
26
washer
27
bolt
28
washer
13
clamp
39
net,L.H.
41
bolt
42
washer
45
nut
44
washer
43
bolt
40
net,R.H.
35
ring
34
washer
32
spring
31
spacer
33
bolt
30
nut
29
bolt
36
wing-break
38
washer
bolt
48
washer
47
bolt
46
net,R.H.lower
51
washer
50
bolt
51
washer
54
seat
49
support
54
seat
51
washer
53
spacer
52
bolt
55
shaft
56
seal
57
bearing
58
cage
61
bearing
62
plate
63
lock
64
bolt
66
fitting, grease
67
shim
72
washer
71
bolt
60
washer
59
bolt
65
cover
68
pulley
70
washer
69
bolt
Номер
Наименование
154-03-C1001
Наименованиеradiator ass’y
22M-03-00000
Наименованиеradiator ass’y
TS220、03
Наименованиеradiator ass’y
107-1
01049-01012
Наименование0 plug
2
154-03-11522
Наименованиеhose
3
07281-00197
Наименованиеclamp
4
08036-01814
Наименованиеclip
5
01010-51220
Наименованиеbolt
6
01643-31232
Наименованиеwasher
7
195-03-13131
Наименованиеtube
8
04059-01010
Наименованиеwire
9
195-03-11690
Наименованиеclip
10
01010-51220
Наименованиеbolt
11
01043-31232
Наименованиеwasher
12
154-03-11535
Наименованиеhose
13
07281-00419
Наименованиеclamp
14
195-03-11511
Наименованиеclip
15
01010-51225
Наименованиеbolt
16
01643-31232
Наименованиеwasher
17
154-03-13231
Наименованиеwind-break,L.H
18
01010-51225
Наименованиеbolt
19
01643-31232
Наименованиеwasher
20
154-03-13270
Наименованиеwind-break,R.H
21
01010-51225
Наименованиеbolt
22
01643-31232
Наименованиеwasher
23
154-03-12626
Наименованиеguard
24
175-03-32710
Наименованиеpin
25
01010-51230
Наименованиеbolt
26
01643-31232
Наименованиеwasher
27
01010-51235
Наименованиеbolt
28
01602-21236
Наименованиеwasher
29
09311-31237
Наименованиеbolt
30
01580-11210
Наименованиеnut
31
154-03-13180
Наименованиеspacer
32
175-54-27350
Наименованиеspring
33
01010-51255
Наименованиеbolt
34
01643-32060
Наименованиеwasher
35
175-04-28770
Наименованиеring
36
154-03-12833
Наименованиеwing-break
107-37
01010-51020
Наименованиеbolt
38
01643-31032
Наименованиеwasher
39
154-03-12644
Наименованиеnet,L.H.
40
154-03-12634
Наименованиеnet,R.H.
41
01010-51230
Наименованиеbolt
42
01643-31232
Наименованиеwasher
43
01010-51230
Наименованиеbolt
44
01643-31232
Наименованиеwasher
45
01580-11210
Наименованиеnut
46
154-03-12653
Наименованиеnet,R.H.lower
47
01010-51230
Наименованиеbolt