Каталог
Заказать звонок
Меню
техника и оборудование +7 (4162) 578-000
запасные части +7 (4162) 578-500
стропная и канатная продукция, электроды, шины +7 (4162) 500-650
сервис +7 (914) 060-30-25
Email:
Каталог
МАСЛО С ИНЖЕНЕРНОЙ ПОДДЕРЖКОЙ
ПЕРЕХОДИ НА STOIL
Начать переход
Инженер STOIL поможет принять решение,
оптимальное для вашего парка
техника и оборудование +7 (4162) 578-000
запасные части +7 (4162) 578-500
стропная и канатная продукция, электроды, шины +7 (4162) 500-650
сервис +7 (914) 060-30-25
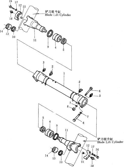
16
bolt
17
washer, spring
12
cover
15
pin, dowel
18
fitting, grease
14
plug
13
bushing ass’y
10
seal, dust
11
seat
9
seal, dust
4
bushing
5
bushing
3
fitting, grease
2
fitting, grease
1
cylinder stay
2
fitting, grease
6
bolt
3
fitting, grease
7
washer, spring
8
nut
7
washer, spring
6
bolt
5
bushing
4
bushing
9
seal, dust
11
seat
12
cover
17
washer, spring
16
bolt
14
plug
13
bushing ass’y
10
seal, dust
15
pin, dowel
18
fitting, grease
Номер
Наименование
175-61-C1000
Наименованиеcylinder stay ass’y
1
175-61-C1110
Наименованиеcylinder stay
2
07021-01060
Наименованиеfitting, grease
3
07020-01018
Наименованиеfitting, grease
4
175-61-15140
Наименованиеbushing
5
175-61-15151
Наименованиеbushing
6
175-61-15130
Наименованиеbolt
7
01602-22783
Наименованиеwasher, spring
8
01580-12722
Наименованиеnut
9
07145-10125
Наименованиеseal, dust
10
07145-10085
Наименованиеseal, dust
11
175-61-12114
Наименованиеseat
12
175-60-19121
Наименованиеcover
13
175-61-15201
Наименованиеbushing ass’y
14
175-60-19141
Наименованиеplug
15
170-70-15190
Наименованиеpin, dowel
16
01010-51890
Наименованиеbolt
17
01602-21854
Наименованиеwasher, spring
18
07020-01018
Наименованиеfitting, grease